簡介: SKF軸承6224/C3VL0241 類型為深溝球軸承, 單列,INSOCOAT, 內徑為:120mm外徑為:215mm厚度為:40mm 軸承內圈,外圈更多詳細資料您可致電我司,獲取SKF 6224/C3VL0241軸承 游隙尺寸,游隙尺寸表,滾子粒數,6224/C3VL0241報價,價格,外形尺寸,錐度, 軸承的圖紙、樣品、價格或者替換產品等!咨詢電話:0512-62658883
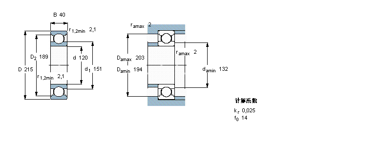
深溝球軸承, 單列,INSOCOAT6224/C3VL0241軸承 樣本圖紙
| 深溝球軸承, 單列,INSOCOAT | ||||||||||
| 公差, 參見文字 | ||||||||||
| 徑向內部游隙 , 參見文字 | ||||||||||
| 推薦配合 | ||||||||||
| 軸和軸承座公差 | ||||||||||
|   | ||||||||||
| 主要數據尺寸 | 基本負荷額定值 | 疲勞負荷限值 | 額定速度 | 體積 | 型號 | |||||
| 動態 | 靜態 | 參照速度 | 限制速度 | |||||||
| d | D | B | C | C0 | Pu | |||||
|   | ||||||||||
| mm | kN | kN | r/min | kg | - | |||||
|   | ||||||||||
| 120 | 215 | 40 | 146 | 118 | 3,9 | 6300 | 4000 | 5,20 | 6224/C3VL0241 | |
同類型型號
隨機推薦型號