簡介: SKF軸承6203/VA201 類型為深溝球軸承, 用于高溫的深溝球軸承, 無密封件, 內徑為:17mm外徑為:40mm厚度為:12mm 軸承內圈,外圈更多詳細資料您可致電我司,獲取SKF 6203/VA201軸承 代號,6203/VA201基本尺寸,安裝尺寸,基本額定載荷,精度等級,裝配, 軸承的圖紙、樣品、價格或者替換產品等!咨詢電話:0512-62658883
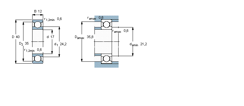
深溝球軸承, 用于高溫的深溝球軸承, 無密封件6203/VA201軸承 樣本圖紙
| 深溝球軸承, 用于高溫的深溝球軸承, 無密封件 | ||||||||
| 公差 , 參見文字 | ||||||||
| 徑向內部間隙, 參見文字 | ||||||||
| 推薦配合 | ||||||||
| 軸和軸承座公差 | ||||||||
|   | ||||||||
| 主要數據尺寸 | 基本負荷額定值 | 徑向內部游隙 | 體積 | 型號 | ||||
| 靜態 | ||||||||
| d | D | B | C0 | 最小 | 最大 | |||
|   | ||||||||
| mm | kN | μm | kg | - | ||||
|   | ||||||||
| 17 | 40 | 12 | 4,75 | 100 | 180 | 0,065 | 6203/VA201 | |
同類型型號
隨機推薦型號