簡介: SKF軸承6001/HR11TN 類型為聚合物球軸承,單列球軸承, POM/POM/stainless steel/PA66, 內徑為:12mm外徑為:28mm厚度為:8mm 軸承內圈,外圈更多詳細資料您可致電我司,獲取SKF 6001/HR11TN軸承 游隙尺寸,游隙尺寸表,滾子粒數,6001/HR11TN報價,價格,外形尺寸,錐度, 軸承的圖紙、樣品、價格或者替換產品等!咨詢電話:0512-62658883
聚合物球軸承,單列球軸承, POM/POM/stainless steel/PA666001/HR11TN軸承 樣本圖紙
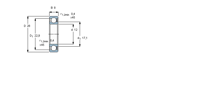
| 聚合物球軸承,單列球軸承, POM/POM/stainless steel/PA66 | ||||||||
|   | ||||||||
| 主要數據尺寸 | 負荷能力 | 額定速度 | 體積 | 型號 | ||||
| d | D | B | 動態 1) | 靜態 2) | 最大 3) | 最大 | - | |
| 1) above 50 °C and/or above 20 % | 3) Consider load carrying | |||||||
| of max speed rating consider | capability reduction according | |||||||
| reduction according to diagram | to diagram | |||||||
| 2) above 50 °C consider | ||||||||
| reduction according to diagram | ||||||||
|   | ||||||||
| mm | kN | r/min | kg | - | ||||
|   | ||||||||
| 12 | 28 | 8 | 0,16 | 0,11 | 1750 | 0,0071 | 6001/HR11TN | |
同類型型號
隨機推薦型號