簡介: SKF軸承591/560F 類型為推力球軸承, 單向, 內徑為:560mm外徑為:670mm厚度為:67mm 軸承內圈,外圈更多詳細資料您可致電我司,獲取SKF 591/560F軸承 配合安裝尺寸,基本尺寸,滾子粒數,591/560F價格,外形尺寸,錐度, 軸承的圖紙、樣品、價格或者替換產品等!咨詢電話:0512-62658883
推力球軸承, 單向591/560F軸承 樣本圖紙
| 推力球軸承, 單向 | |||||||||||
| 公差 , 參見文字 | |||||||||||
| 推薦配合 | |||||||||||
| 軸和軸承座公差 | |||||||||||
|   | |||||||||||
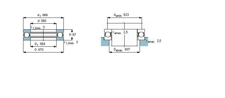
| 主要數據尺寸 | 基本負荷額定值 | 疲勞負荷限值 | 最小負荷系數 | 額定速度 | 體積 | 型號 | |||||
| 動態 | 靜態 | 參照速度 | 限制速度 | ||||||||
| d | D | H | C | C0 | Pu | A | |||||
|   | |||||||||||
| mm | kN | kN | - | r/min | kg | - | |||||
|   | |||||||||||
| 560 | 670 | 67 | 468 | 3250 | 48 | 55 | 600 | 800 | 45,5 | 591/560 F | |
同類型型號
隨機推薦型號