簡介: SKF軸承511/710F 類型為推力球軸承, 單向, 內徑為:710mm外徑為:850mm厚度為:112mm 軸承內圈,外圈更多詳細資料您可致電我司,獲取SKF 511/710F軸承 代號,511/710F基本尺寸,安裝尺寸,基本額定載荷,精度等級,裝配, 軸承的圖紙、樣品、價格或者替換產品等!咨詢電話:0512-62658883
推力球軸承, 單向511/710F軸承 樣本圖紙
| 推力球軸承, 單向 | |||||||||||
| 公差 , 參見文字 | |||||||||||
| 推薦配合 | |||||||||||
| 軸和軸承座公差 | |||||||||||
|   | |||||||||||
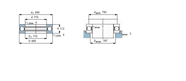
| 主要數據尺寸 | 基本負荷額定值 | 疲勞負荷限值 | 最小負荷系數 | 額定速度 | 體積 | 型號 | |||||
| 動態 | 靜態 | 參照速度 | 限制速度 | ||||||||
| d | D | H | C | C0 | Pu | A | |||||
|   | |||||||||||
| mm | kN | kN | - | r/min | kg | - | |||||
|   | |||||||||||
| 710 | 850 | 112 | 936 | 7650 | 100 | 300 | 380 | 530 | 130 | 511/710 F | |
同類型型號
隨機推薦型號