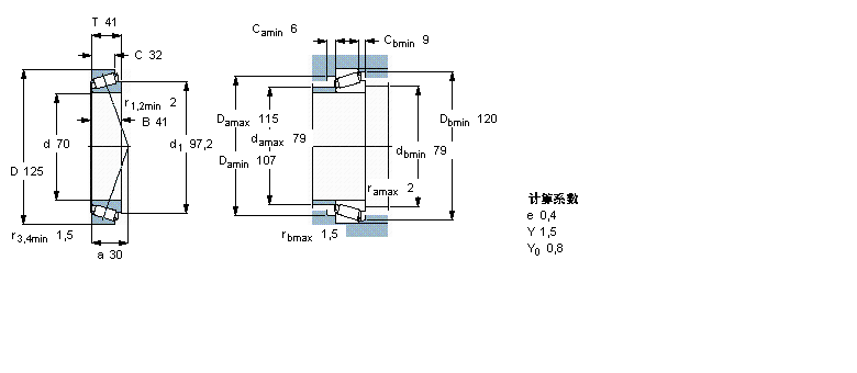
簡介: SKF軸承33214/Q 類型為圓錐滾子軸承, 單列, 公制軸承, 內徑為:70mm外徑為:125mm厚度為:41mm 軸承內圈,外圈更多詳細資料您可致電我司,獲取SKF 33214/Q軸承 代號,33214/Q基本尺寸,安裝尺寸,基本額定載荷,精度等級,裝配, 軸承的圖紙、樣品、價格或者替換產品等!咨詢電話:0512-62658883
圓錐滾子軸承, 單列, 公制軸承33214/Q軸承 樣本圖紙
| 圓錐滾子軸承, 單列, 公制軸承 | ||||||||||
| 公差 , 參見文字 | ||||||||||
| 推薦配合 | ||||||||||
| 軸和軸承座公差 | ||||||||||
|   | ||||||||||
| 主要數據尺寸 | 基本負荷額定值 | 疲勞負荷限值 | 額定速度 | 體積 | 型號 | |||||
| 動態 | 靜態 | 參照速度 | 限制速度 | |||||||
| d | D | T | C | C0 | Pu | |||||
|   | ||||||||||
| mm | kN | kN | r/min | kg | - | |||||
|   | ||||||||||
| 70 | 125 | 41 | 201 | 285 | 32,5 | 3600 | 5000 | 2,10 | 33214/Q | |
同類型型號
隨機推薦型號