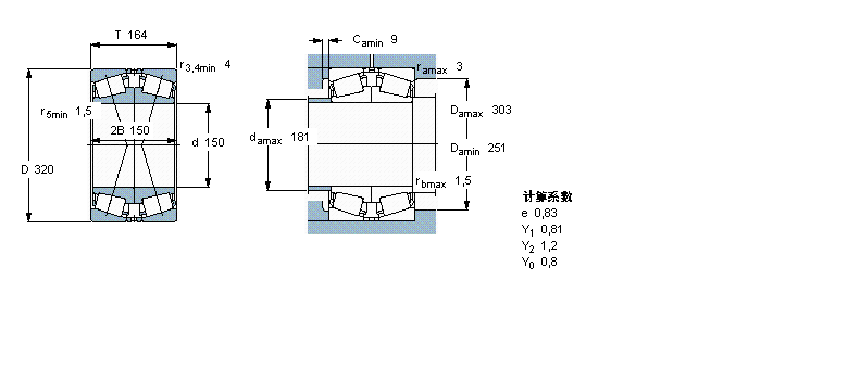
簡介: SKF軸承31330XJ2/DF 類型為圓錐滾子軸承, 單列,面對面配對, 內徑為:150mm外徑為:320mm厚度為:164mm 軸承內圈,外圈更多詳細資料您可致電我司,獲取SKF 31330XJ2/DF軸承 配合安裝尺寸,安裝尺寸,重量,額定動負荷,載荷,31330XJ2/DF極限轉速,游隙, 軸承的圖紙、樣品、價格或者替換產品等!咨詢電話:0512-62658883
圓錐滾子軸承, 單列,面對面配對31330XJ2/DF軸承 樣本圖紙
| 圓錐滾子軸承, 單列,面對面配對 | ||||||||||
| 公差 , 參見文字 | ||||||||||
| 軸向內部間隙, 參見文字 | ||||||||||
| 推薦配合 | ||||||||||
| 軸和軸承座公差 | ||||||||||
|   | ||||||||||
| 主要數據尺寸 | 基本負荷額定值 | 疲勞負荷限值 | 額定速度 | 體積 | 型號 | |||||
| 動態 | 靜態 | 參照速度 | 限制速度 | |||||||
| d | D | T | C | C0 | Pu | |||||
|   | ||||||||||
| mm | kN | kN | r/min | kg | - | |||||
|   | ||||||||||
| 150 | 320 | 164 | 1340 | 2040 | 200 | 1100 | 2000 | 58,5 | 31330 XJ2/DF | |
同類型型號
隨機推薦型號