簡介: SKF軸承30236J2/DF 類型為圓錐滾子軸承, 單列,面對面配對, 內徑為:180mm外徑為:320mm厚度為:114mm 軸承內圈,外圈更多詳細資料您可致電我司,獲取SKF 30236J2/DF軸承 游隙尺寸,游隙尺寸表,滾子粒數,30236J2/DF報價,價格,外形尺寸,錐度, 軸承的圖紙、樣品、價格或者替換產品等!咨詢電話:0512-62658883
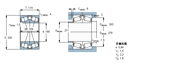
圓錐滾子軸承, 單列,面對面配對30236J2/DF軸承 樣本圖紙
| 圓錐滾子軸承, 單列,面對面配對 | ||||||||||
| 公差 , 參見文字 | ||||||||||
| 軸向內部間隙, 參見文字 | ||||||||||
| 推薦配合 | ||||||||||
| 軸和軸承座公差 | ||||||||||
|   | ||||||||||
| 主要數據尺寸 | 基本負荷額定值 | 疲勞負荷限值 | 額定速度 | 體積 | 型號 | |||||
| 動態 | 靜態 | 參照速度 | 限制速度 | |||||||
| d | D | T | C | C0 | Pu | |||||
|   | ||||||||||
| mm | kN | kN | r/min | kg | - | |||||
|   | ||||||||||
| 180 | 320 | 114 | 1010 | 1630 | 160 | 1200 | 2000 | 42,0 | 30236 J2/DF | |
同類型型號
隨機推薦型號