簡介: SKF軸承22338CCK/W33+H2338 類型為球面滾子軸承, 帶緊定套的, 內徑為:170mm外徑為:400mm厚度為:132mm 軸承內圈,外圈更多詳細資料您可致電我司,獲取SKF 22338CCK/W33+H2338軸承 游隙尺寸,游隙尺寸表,滾子粒數,22338CCK/W33+H2338報價,價格,外形尺寸,錐度, 軸承的圖紙、樣品、價格或者替換產品等!咨詢電話:0512-62658883
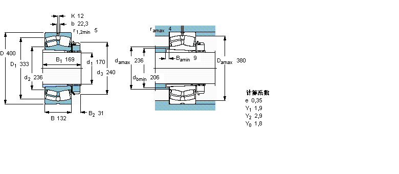
球面滾子軸承, 帶緊定套的22338CCK/W33+H2338軸承 樣本圖紙
| 球面滾子軸承, 帶緊定套的 | ||||||||||
| 公差 , 參見文字 | ||||||||||
| 徑向內部游隙 , 參見文字 | ||||||||||
| 推薦配合 | ||||||||||
| 軸和軸承座公差 | ||||||||||
|   | ||||||||||
| 主要數據尺寸 | 基本負荷額定值 | 疲勞負荷限值 | 額定速度 | 體積 | 型號 | |||||
| 動態 | 靜態 | 參照速度 | 限制速度 | 軸承 + 緊定套 | ||||||
| d1 | D | B | C | C0 | Pu | |||||
| * - SKF Explorer 軸承 | ||||||||||
|   | ||||||||||
| mm | kN | kN | r/min | kg | - | |||||
|   | ||||||||||
| 170 | 400 | 132 | 2120 | 2650 | 208 | 1200 | 1600 | 93,0 | 22338 CCK/W33 + H 2338 * | |
同類型型號
隨機推薦型號