簡介: SKF軸承22330CC/W33 類型為球面滾子軸承, 圓柱和圓錐孔, 圓柱型內孔, 無密封件, 內徑為:150mm外徑為:320mm厚度為:108mm 軸承內圈,外圈更多詳細資料您可致電我司,獲取SKF 22330CC/W33軸承 游隙尺寸,游隙尺寸表,滾子粒數,22330CC/W33報價,價格,外形尺寸,錐度, 軸承的圖紙、樣品、價格或者替換產品等!咨詢電話:0512-62658883
球面滾子軸承, 圓柱和圓錐孔, 圓柱型內孔, 無密封件22330CC/W33軸承 樣本圖紙
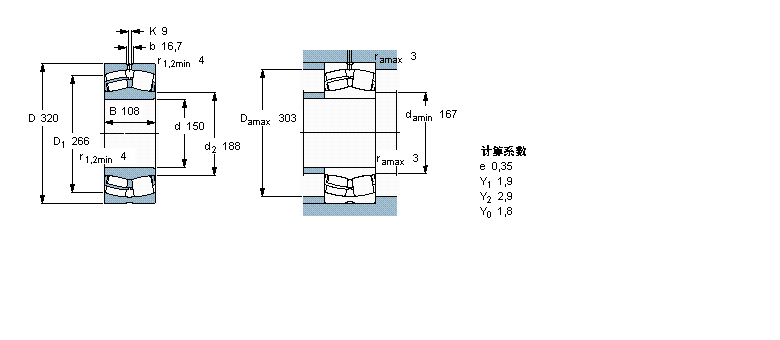
| 球面滾子軸承, 圓柱和圓錐孔, 圓柱型內孔, 無密封件 | ||||||||||
| 公差 , 參見文字 | ||||||||||
| 徑向內部間隙, 圓柱型內孔 , 圓錐型內孔, 無密封件 , 參見文字 | ||||||||||
| 推薦配合 | ||||||||||
| 軸和軸承座公差 | ||||||||||
|   | ||||||||||
| 主要數據尺寸 | 基本負荷額定值 | 疲勞負荷限值 | 額定速度 | 體積 | 型號 | |||||
| 動態 | 靜態 | 參照速度 | 限制速度 | |||||||
| d | D | B | C | C0 | Pu | * - SKF Explorer 軸承 | ||||
|   | ||||||||||
| mm | kN | kN | r/min | kg | - | |||||
|   | ||||||||||
| 150 | 320 | 108 | 1460 | 1760 | 146 | 1600 | 2000 | 43,5 | 22330 CC/W33 * | |
同類型型號
隨機推薦型號