簡介: SKF軸承2222M/W64 類型為自調心球軸承, 含Solid Oil, 無密封件, 內徑為:110mm外徑為:200mm厚度為:53mm 軸承內圈,外圈更多詳細資料您可致電我司,獲取SKF 2222M/W64軸承 代號,2222M/W64基本尺寸,安裝尺寸,基本額定載荷,精度等級,裝配, 軸承的圖紙、樣品、價格或者替換產品等!咨詢電話:0512-62658883
自調心球軸承, 含Solid Oil, 無密封件2222M/W64軸承 樣本圖紙
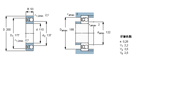
| 自調心球軸承, 含Solid Oil, 無密封件 | |||||||||
| 公差 , 參見文字 | |||||||||
| 徑向內部游隙 , 參見文字 | |||||||||
| 推薦配合 | |||||||||
| 軸和軸承座公差 | |||||||||
|   | |||||||||
| 主要數據尺寸 | 基本負荷額定值 | 疲勞負荷限值 | 限制速度 | 體積 | 型號 | ||||
| 動態 | 靜態 | ||||||||
| d | D | B | C | C0 | Pu | ||||
|   | |||||||||
| mm | kN | kN | r/min | kg | - | ||||
|   | |||||||||
| 110 | 200 | 53 | 124 | 52 | 2,12 | 900 | 7,1 | 2222 M/W64 | |
同類型型號
隨機推薦型號